摘要
本发明属于化工技术领域,具体涉及公开一种阿洛酮糖晶体生产方法及生产系统,该生产方法包括以下步骤:S1 .将阿洛酮糖溶液送入管式降膜结晶器中进行结晶,随后升温,使得到的晶体熔融为液态,得到中间产品,S2.将中间产品预冷后送入板式降膜结晶器中进行结晶,得到阿洛酮糖晶体,本申请结合管式降膜结晶器和板式降膜结晶器生产阿洛酮糖晶体产品,结晶率高,产品纯度高。
权利要求书
1.一种阿洛酮糖晶体的生产方法,其特征在于,包括以下步骤:
S1 .将阿洛酮糖溶液送入管式降膜结晶器中进行结晶,随后升温,使得到的晶体熔融为 液态,得到中间产品;
S2.将中间产品预冷后送入板式降膜结晶器中进行结晶,得到阿洛酮糖晶体。
2.根据权利要求1所述的生产方法,其特征在于,步骤S1中,所述阿洛酮糖溶液的浓度 为70wt%‑80wt%;
和/或,步骤S1中,所述阿洛酮糖溶液的温度为80‑120℃;
和/或,步骤S1中,所述结晶包括:先以3‑5℃/min的速率降温至40‑45℃,随后以0 .5‑1 ℃/min的速率降温至30‑35℃,接着于30‑35℃下结晶90‑100min;
和/或,步骤S1中,所述结晶后、熔融前还包括发汗步骤;
和/或,步骤S1中,所述熔融包括:以0.5‑1℃/min的速率升温至115‑125℃,接着于115‑ 125℃温度下保温30‑40min,得到中间产品。
3.根据权利要求2所述的生产方法,其特征在于,所述发汗包括:以3‑5℃/min的速率升 温至80‑90℃,接着以0 .5‑1℃/min的速率升温至105‑110℃,接着于105‑110℃温度下保温 40‑50min,得到汗液。
4.根据权利要求3所述的生产方法,其特征在于,还包括:富集回收步骤S1得到的母液 和/或汗液,并将富集回收后的母液和/或汗液送入管式降膜结晶器中进行结晶。
5.根据权利要求1所述的生产方法,其特征在于,步骤S2中,将中间产品冷却至60‑80 ℃;
和/或,步骤S2中,所述结晶包括:先降温至30‑40℃,然后于30‑40℃温度下进行结晶;
和/或,步骤S2中,所述结晶后还包括发汗步骤。
6.根据权利要求5所述的生产方法,其特征在于,步骤S2中,所述发汗包括:以3‑5℃/ min的速率升温至80‑90℃,随后以0.5‑1℃/min的速率升温至105‑110℃,接着于105‑110℃ 温度下保温40‑50min,得到汗液;
和/或,还包括:富集回收步骤S2得到的母液,将富集回收后的母液送入管式降膜结晶 器中进行结晶;
和/或,还包括:富集回收步骤S2得到的汗液,将富集回收后的汗液送入板式降膜结晶 器中进行结晶。
7.一种阿洛酮糖晶体生产系统,其特征在于,包括依次连通的管式降膜结晶器、冷却器 和板式降膜结晶器,所述管式降膜结晶器设置有第一冷热媒进口、第一冷热媒出口、第一进 料口和第一出料口,所述板式降膜结晶器包括壳体,所述壳体的顶部开设有第二进料口和 出气口,所述第二进料口呈扁平状,所述壳体的底部开设有第二出料口和进气口,所述壳体 内部设置有沿竖直方向设置的结晶板,所述结晶板沿竖直方向设置有结晶槽和换热腔,所 述结晶槽经进料管连通所述第二进料口,所述换热腔位于所述结晶槽相邻区域,所述壳体 的下部设有与所述换热腔相连通的第二冷热媒进口,所述壳体的上部开设有与所述换热腔 相连通的第二冷热媒出口,所述壳体顶部和壳体底部分别开设有进气口和出气口,所述进 气口位于所述结晶板下方。
8.根据权利要求7所述的阿洛酮糖晶体生产系统,其特征在于,所述第一出料口连通有 母液罐和/或汗液罐,所述母液罐和/或汗液罐连通所述第一进料口;
和/或,所述第一出料口经第一物料循环管道连通所述第一物料循环进口,所述第一物 料循环管道上设置有循环泵;
和/或,所述第一冷热媒出口经第一冷热媒循环管道连通所述第一冷热媒进口,所述冷 第一热媒循环管道上设置有循环泵、冷媒冷却器和热媒换热器;
和/或,所述结晶板沿竖直方向开设有若干结晶槽;
和/或,所述板式降膜结晶器还包括过滤机构,所述过滤机构可拆卸固定于所述壳体内 壁,所述过滤机构位于所述第二进料口和第二出料口之间,所述过滤机构位于所述结晶板 下方,所述壳体的靠近过滤机构处设置有开口;
和/或,连通换热腔与第二冷热媒进口的管道和/或连通换热腔与第二冷热媒出口的管 道部分伸入所述换热腔中;
和/或,所述第二出料口经第二物料循环管道连通所述第二进料口,所述第二物料循环 管道上设置有循环泵;
和/或,所述第二冷热媒出口经第二冷热媒循环管道连通所述第二冷热媒进口,所述第 二热媒循环管道上设置有循环泵、冷媒冷却器和热媒换热器;
和/或,所述结晶板还开设有换热槽,所述冷媒换热槽位于所述结晶槽相邻区域,所述 换热槽连通所述第二冷热媒进口和第二冷热媒出口;
和/或,所述第二出料口还连通有残液罐和/或汗液储罐,所述残液罐连通所述第一进 料口,所述汗液储罐连通所述第二进料口。
9.根据权利要求7所述的阿洛酮糖晶体生产系统,其特征在于,所述板式降膜结晶器内 部还设置有推杆组件,所述推杆组件位于所述结晶板上方,所述推杆组件包括第一驱动机 构及与所述结晶槽对应的推杆,所述驱动机构用于驱动推杆,以使推杆将结晶物质自结晶 槽壁面推落,所述推杆沿竖直方向设置;
和/或,所述板式降膜结晶器还包括切制机构,所述切制机构固定安装于所述壳体内 壁,所述切制机构沿所述结晶槽的对向设置,所述切制机构设置有切刀和用于驱动所述切 刀伸缩的第二驱动机构,所述切刀沿与所述结晶槽垂直的方向设置;
和/或,所述板式降膜结晶器还包括喷头,所述喷头位于所述壳体内部且位于所述结晶 槽上方,所述喷头连通有高压进气管和/或高压进液管;
和/或,还包括溶剂罐,所述溶剂罐经管道连通所述壳体的底部。
10.根据权利要求9所述的阿洛酮糖晶体生产系统,其特征在于,所述切制机构设置有 若干切刀,所有所述切刀沿与所述结晶槽垂直的方向平行设置;
和/或,所述喷头采用旋转喷头;
和/或,所述推杆与所述结晶槽相匹配;
和/或,连通换热槽与第二冷热媒进口的管道和/或连通换热槽与第二冷热媒出口的管 道部分伸入所述换热槽中;
和/或,所述出气口经管道连通所述溶剂罐,所述出气口与溶剂罐之间的连通管道上设 置有冷凝器。
说明书
技术领域
[0001] 本发明属于化工技术领域,具体涉及公开一种阿洛酮糖晶体生产方法及生产系 统。
背景技术
[0002] 随着生活水平的提高,人们对食品安全等问题日益关心,尤其是各种功能性添加 剂。阿洛酮糖因甜度较高且不易被消化,成为食品行业畅销的低卡路里甜味剂。并且,在医 药领域,阿洛酮糖还具有降低体内脂肪积累、抑制血糖浓度上升、提高胰岛素的敏感性和葡 萄糖耐受性等功效。然而,阿洛酮糖在自然界中的含量极少,难以满足市场需求,通常需要 人工合成。
[0003] 阿洛酮糖属于己酮糖,是一种六碳糖,是D‑果糖的三号位碳所对应的差向异构体。 阿洛酮糖的合成方法有化学合成法和生物酶法。采用化学合成法生产阿洛酮糖存在以下缺 点:易形成化学废弃物和副产物;纯化过程困难;操作复杂,需进行多次保护和去保护操作。 因此,化学合成法在实际生产应用中受到了极大的制约。与化学合成法相比,酶法合成阿洛 酮糖具有较大优势:过程更加环保;反应条件温和;特异性强;催化效率高;可持续性强。因 此,阿洛酮糖的生物转化成为当前研究的重点和热点。
[0004] 然而,市售阿洛酮糖基本是液体产品或粉末状固体产品,因阿洛酮糖在处于高过 饱和度时,晶体生成较晶体生长快,易产生细小晶体,而导致溶液粘度增大,不利于大晶体 的生长,若进行多次加热浓缩和冷却结晶过程,不仅生产工艺复杂,不易操作,且生成的阿 洛酮糖晶体颗粒度较小,导致阿洛酮糖晶体收率仅为20%‑30%左右,严重影响阿洛酮糖晶 体产品的生产经济性。
[0005] 相关技术中普遍采用升温浓缩、色谱分离、蒸发结晶等工艺及设备进行耦合,不仅 工艺流程繁琐,且用时较长、能耗较高,实际生产经济性不佳,制得的产品晶体呈颗粒状,晶 体小,且收率低。
发明内容
[0006] 鉴于以上所述现有技术的缺点,本发明的目的在于给予一种阿洛酮糖晶体生产方 法及生产系统,用于解决采用现有的设备及方法生产阿洛酮糖晶体,工艺流程繁琐,且用时 较长、能耗较高,实际生产经济性不佳,制得的产品晶体呈颗粒状,晶体小,且收率低的技术 问题。
[0007] 第一个方面,本申请给予一种阿洛酮糖晶体的生产方法,包括以下步骤:
[0008] S1 .将阿洛酮糖溶液送入管式降膜结晶器中进行结晶,随后升温,使得到的晶体熔 融为液态,得到中间产品;
[0009] S2.将中间产品预冷后送入板式降膜结晶器中进行结晶,得到阿洛酮糖晶体。 [0010] 需要说明的是,本申请所述“阿洛酮糖晶体”是指D‑阿洛酮糖晶体、L‑阿洛酮糖晶 体或D‑阿洛酮糖晶体/L‑阿洛酮糖晶体混合晶体,即本申请的制备系统适用于D‑阿洛酮糖晶体、L‑阿洛酮糖晶体或D‑阿洛酮糖晶体/L‑阿洛酮糖晶体混合晶体的制备。
[0011] 可选地,步骤S1中,所述阿洛酮糖溶液的浓度为70wt% ‑80wt%,优选为75wt% ‑ 80wt%。
[0012] 可选地,步骤S1中,所述阿洛酮糖溶液的温度为80‑120℃,优选为100‑120℃。 [0013] 可选地,步骤S1中,所述结晶包括:先以3‑5℃/min的速率降温至40‑45℃,优选以 4‑5℃/min的速率降温至42‑45℃;随后以0.5‑1℃/min的速率降温至30‑35℃,优选以0.6‑1 ℃/min的速率降温至30‑32℃;接着于30‑35℃下结晶90‑100min。
[0014] 可选地,步骤S1中,所述结晶后、熔融前还包括发汗步骤。
[0015] 可选地,步骤S1中,所述熔融包括:以0 .5‑1℃/min的速率升温至115‑125℃,优选 以0.6‑1℃/min的速率升温至120‑125℃;接着于115‑125℃温度下保温30‑40min,得到中间 产品,接着于120‑125℃温度下保温30‑40min。
[0016] 可选地,所述发汗包括:以3‑5℃/min的速率升温至80‑90℃,优选以4‑5℃/min的 速率将结晶升温至85‑90℃;接着以0.5‑1℃/min的速率升温至105‑110℃,优选以0.6‑1℃/ min的速率升温至105‑110℃;接着于105‑110℃温度下保温40‑50min,得到汗液。
[0017] 可选地,所述生产方法还包括:富集步骤S1得到的母液和/或汗液,并将富集回收 后的母液和/或汗液送入管式降膜结晶器中进行结晶。
[0018] 可选地,步骤S2中,将中间产品冷却至60‑80℃,优选为60‑75℃。
[0019] 可选地,步骤S2中,所述结晶包括:先降温至30‑40℃,优选为30‑35℃;然后于30‑ 40℃温度下进行结晶。
[0020] 可选地,步骤S2中,所述结晶后还包括发汗步骤。
[0021] 可选地,步骤S2中,所述发汗包括:以3‑5℃/min的速率升温至80‑90℃,随后以 0 .5‑1℃/min的速率升温至105‑110℃,优选以4‑5℃/min的速率升温至85‑90℃,随后以 0.6‑1℃/min的速率升温至105‑110℃,接着于105‑110℃温度下保温40‑50min;接着于105‑ 110℃温度下保温40‑50min,得到汗液。
[0022] 可选地,所述生产方法还包括:富集回收步骤S2得到的母液,将富集回收后的母液 送入管式降膜结晶器中进行结晶。
[0023] 可选地,所述生产方法还包括:富集回收步骤S2得到的汗液,将富集回收后的汗液 送入板式降膜结晶器中进行结晶。
[0024] 另一个方面,本发明还给予如上所述的阿洛酮糖晶体的生产方法所采用的生产系 统,包括依次连通的管式降膜结晶器、冷却器和板式降膜结晶器,所述管式降膜结晶器设置 有第一冷热媒进口、第一冷热媒出口、第一进料口和第一出料口,所述板式降膜结晶器包括 壳体,所述壳体的顶部开设有第二进料口和出气口,所述壳体的底部开设有第二出料口和 进气口,所述第二进料口呈扁平状,所述壳体内部设置有沿竖直方向设置的结晶板,所述结 晶板沿竖直方向设置有结晶槽和换热腔,所述结晶槽经进料管连通所述第二进料口,所述 换热腔位于所述结晶槽相邻区域,所述壳体的下部设有与所述换热腔相连通的第二冷热媒 进口,所述壳体的上部开设有与所述换热腔相连通的第二冷热媒出口,所述壳体顶部和壳 体底部分别开设有进气口和出气口,所述进气口位于所述结晶板下方。
[0025] 可选地,所述第一出料口连通有母液罐和/或汗液罐,所述母液罐和/或汗液罐连 通所述第一进料口。
[0026] 可选地,所述第一出料口经第一物料循环管道连通所述进料口,所述第一物料循环管道上设置有循环泵。
[0027] 所述第一冷热媒出口经第一冷热媒循环管道连通所述第一冷热媒进口,所述冷第 一热媒循环管道上设置有循环泵、冷媒冷却器和热媒换热器。
[0028] 可选地,所述结晶板沿竖直方向开设有若干结晶槽。
[0029] 可选地,所述板式降膜结晶器还包括过滤机构,所述过滤机构可拆卸固定于所述 壳体内壁,所述过滤机构位于所述第二进料口和第二出料口之间,所述过滤机构位于所述 结晶板下方,所述壳体的靠近过滤机构处设置有开口。
[0030] 可选地,连通换热腔与冷热媒进口的管道和/或连通换热腔与冷热媒出口的管道 部分伸入所述换热腔中。
[0031] 可选地,所述第二出料口经第二物料循环管道连通所述第二进料口,所述第二物 料循环管道上设置有循环泵。
[0032] 可选地,所述第二冷热媒出口经第二冷热媒循环管道连通所述第二冷热媒进口, 所述第二热媒循环管道上设置有循环泵、冷媒冷却器和热媒换热器。
[0033] 可选地,所述结晶板还开设有换热槽,所述冷媒换热槽位于所述结晶槽相邻区域, 所述换热槽连通所述第二冷热媒进口和第二冷热媒出口。
[0034] 可选地,所述第二出料口还连通有残液罐和/或汗液储罐,所述残液罐连通所述第 一进料口,所述汗液储罐连通所述第二进料口。
[0035] 可选地,所述板式降膜结晶器内部还设置推杆组件,所述推杆组件位于所述结晶 板上方,所述推杆组件包括第一驱动机构及与所述结晶槽对应的推杆,所述驱动机构用于 驱动推杆,以使推杆将结晶于结晶槽内的结晶物质自结晶槽壁面推落,所述推杆沿竖直方 向设置。
[0036] 可选地,所述板式降膜结晶器还包括切制机构,所述切制机构固定安装于所述壳 体内壁,所述切制机构沿所述结晶槽的对向设置,所述切制机构设置有切刀和用于驱动所 述切刀伸缩的第二驱动机构,所述切刀沿与所述结晶槽垂直的方向设置。
[0037] 可选地,所述板式降膜结晶器还包括喷头,所述喷头位于所述壳体内部且位于所 述结晶槽上方,所述喷头连通有高压进气管和/或高压进液管。
[0038] 可选地,所述第二出料口还连通有残液罐和/或汗液储罐,所述残液罐和/或汗液 储罐的出液端连通所述第二进料口。
[0039] 可选地,所述切制机构设置有若干切刀,所有所述切刀沿与所述结晶槽垂直的方 向平行设置。
[0040] 可选地,所述喷头采用旋转喷头。
[0041] 可选地,所述推杆与所述结晶槽相匹配。
[0042] 可选地,连通换热槽与第二冷热媒进口的管道和/或连通换热槽与第二冷热媒出 口的管道部分伸入所述换热槽中。
[0043] 可选地,所述阿洛酮糖晶体生产系统还包括溶剂罐,所述溶剂罐经管道连通所述 壳体的底部。
[0044] 可选地,所述出气口经管道连通所述溶剂罐,所述出气口与溶剂罐之间的连通管 道上设置有冷凝器。
[0045] 本发明的有益效果为:
[0046] 本申请结合管式降膜结晶器和板式降膜结晶器生产阿洛酮糖晶体产品,结晶率达 99.99%。
[0047] 本申请结合管式降膜结晶器和板式降膜结晶器生产阿洛酮糖晶体产品,得到阿洛 酮糖晶体产品的纯度高,能够达到食品级、医药级应用要求。
[0048] 采用本申请的方法生产阿洛酮糖晶体产品,得到的阿洛酮糖晶体呈块状,克服了 采用现有的方法及设备生产阿洛酮糖晶体,产品晶体呈颗粒状,晶体较小的技术问题。 [0049] 采用本申请的方法生产阿洛酮糖晶体产品,无需进行脱色处理,即可得到满足要 求的阿洛酮糖晶体产品,省略了脱色工艺步骤,减少了工艺流动,缩短了工艺时间,提高了 产量,降低了成本。
[0050] 采用本申请的方法生产阿洛酮糖晶体产品,工艺时长短,能耗低,原料利用率高。 [0051] 采用本申请的方法生产阿洛酮糖晶体产品,工艺流程简单,工业上容易实现,经济 性高。
附图说明
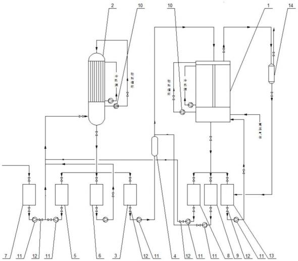
[0052] 图1为实施例1的阿洛酮糖晶体制备系统的结构示意图;
[0053] 图2为图1中板式降膜结晶器的结构示意图;
[0054] 图3为图2中结晶板的结构示意图;
[0055] 图4为图2中切制机构与结晶板相配合的立体图;
[0056] 图5为实施例5的阿洛酮糖晶体制备系统的降膜结晶器的推杆组件的结构示意图;
[0057] 图6为实施例6的阿洛酮糖晶体制备系统的降膜结晶器结晶板与壳体的装配图;
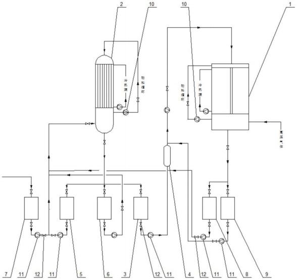
[0058] 图7为实施例7的阿洛酮糖晶体制备系统的结构示意图。
[0059] 附图标记
[0060] 1‑板式降膜结晶器;101‑壳体;102‑第二进料口,1021‑进料管,1022‑进料支管,1023‑阻隔元件;103‑结晶板,1031‑结晶槽,1032‑换热腔,1033‑换热槽;104‑推杆组件, 1041‑推杆,1042‑第一驱动机构,1043‑推块;105‑过滤机构,1051‑开口;106‑切制机构, 1061‑切刀,1062‑第二驱动机构;107‑进气口;108‑第二出料口;109‑喷头;1010‑出气口; 1012‑第二冷热媒进口,10121‑冷热媒进口管;1013‑第二冷热媒出口,10131‑冷热媒出口管;
[0061] 2‑管式降膜结晶器;
[0062] 3‑中间产品罐;
[0063] 4‑冷却器;
[0064] 5‑母液罐;
[0065] 6‑汗液罐;
[0066] 7‑原料罐;
[0067] 8‑残液罐;
[0068] 9‑汗液储罐;
[0069] 10‑循环泵;
[0070] 11‑离心泵;
[0071] 12‑开关阀;
[0072] 13‑冷媒冷却器;
[0073] 14‑热媒换热器;
[0074] 15‑溶剂罐;
[0075] 16‑冷凝器。
具体实施方式
[0076] 以下顺利获得特定的具体实例说明本发明的实施方式,本领域技术人员可由本说明书 所揭露的内容轻易地分析本发明的其他优点与功效。本发明还可以顺利获得另外不同的具体实 施方式加以实施或应用,本说明书中的各项细节也可以基于不同观点与应用,在没有背离 本发明的精神下进行各种修饰或改变。
[0077] 需要说明的是,本实施例中所给予的图示仅以示意方式说明本发明的基本构想, 遂图式中仅显示与本发明中有关的组件而非按照实际实施时的组件数目、形状及尺寸绘 制,其实际实施时各组件的型态、数量及比例可为一种随意的改变,且其组件布局型态也可 能更为复杂。本说明书所附图式所绘示的结构、比例、大小等,均仅用以配合说明书所揭示 的内容,以供熟悉此技术的人士分析与阅读,并非用以限定本发明可实施的限定条件,故不 具技术上的实质意义,任何结构的修饰、比例关系的改变或大小的调整,在不影响本发明所 能产生的功效及所能达成的目的下,均应仍落在本发明所揭示的技术内容得能涵盖的范围 内。同时,本说明书中所引用的如“上”、“下”、“顶”、“底”、“竖直”“垂直”等的用语,亦仅为便 于叙述的明了,而非用以限定本发明可实施的范围,其相对关系的改变或调整,在无实质变 更技术内容下,当亦视为本发明可实施的范畴。应理解的是,方位词“内、外”是指相对于各 部件本身的轮廓的内外。
[0078] 在本发明的描述中,需要理解的是,使用“第一”、“第二”等词语来限定零部件,仅 仅是为了便于对相应零部件进行区别,如没有另行声明,上述词语并没有特殊含义,因此不 能理解为对本发明保护范围的限制。
[0079] 本申请给予一种阿洛酮糖晶体的生产方法,包括以下步骤:
[0080] S1 .将温度为80‑120℃、浓度为70wt%‑80wt%的阿洛酮糖溶液送入管式降膜结晶 器中进行结晶,具体先以3‑5℃/min的速率降温至40‑45℃,随后以0.5‑1℃/min的速率降温 至30‑35℃,接着于30‑35℃下结晶90‑100min;随后进行发汗,具体为:以3‑5℃/min的速率 升温至80‑90℃,接着以0 .5‑1℃/min的速率升温至105‑110℃,接着于105‑110℃温度下保 温40‑50min,得到汗液;然后进行熔融,具体为:以0.5‑1℃/min的速率升温至115‑125℃,接 着于115 ‑ 125℃温度下保温30‑40min,得到中间产品,接着于120‑ 125℃温度下保温30 ‑ 40min,得到液态中间产品;富集回收结晶过程中产生的母液和发汗过程中得到的汗液,并 将富集回收得到的母液和汗液送入管式降膜结晶器中进行结晶;
[0081] S2.将中间产品预冷至60‑80℃,随后送入板式降膜结晶器中进行结晶,具体为:先 降温至30‑40℃,然后于30‑40℃温度下进行结晶;然后以3‑5℃/min的速率升温至80‑90℃, 随后以0 .5‑1℃/min升温至105‑110℃,随后以0 .6‑1℃/min的速率升温至105‑110℃,接着 于105‑110℃温度下保温40‑50min;接着于105‑110℃温度下保温40‑50min,得到汗液;将结 晶过程中产生的母液和发汗过程中得到的汗液送入管式降膜结晶器中进行二次结晶,得到洛酮糖晶体。
[0082] 本申请还给予如上所述的生产方法所采用的生产系统,包括依次连通的管式降膜 结晶器、冷却器和板式降膜结晶器;
[0083] 管式降膜结晶器设置有第一进料口、第一出料口、第一出料口、第一冷热媒进口和 第一冷热媒出口,第一出料口连通有母液罐和/或汗液罐,母液罐和/或汗液罐连通第一进 料口,第一出料口经第一物料循环管道连通第一进料口,第一物料循环管道上设置有循环 泵,第一冷热媒出口经第一冷热媒循环管道连通第一冷热媒进口,第一冷热媒循环管道上 设置有循环泵、冷媒冷却器和热媒换热器;
[0084] 板式降膜结晶器包括壳体,壳体的顶部开设有第二进料口和出气口,第二进料口 呈扁平状,壳体的底部开设有第二出料口和进气口,第二出料口经第二物料循环管道连通 第二进料口,壳体内部沿竖直方向依次设置有推杆组件、沿竖直方向设置的结晶板、过滤机 构和集液腔;
[0085] 结晶板沿竖直方向设置有若干结晶槽、若干换热腔和若干换热槽,结晶槽经进料 管连通进料口,换热腔位于结晶槽相邻区域,壳体的下部设有与换热腔相连通的第二冷热 媒进口,壳体的上部开设有与换热腔相连通的第二冷热媒出口,第二冷热媒出口经第二冷 热媒循环管道连通第二冷热媒进口,第二冷热媒循环管道设置有循环泵、冷媒冷却器和热 媒换热器;
[0086] 壳体顶部和壳体底部分别开设有进气口和出气口,进气口位于结晶板下方;冷媒 换热槽位于结晶槽相邻区域,换热槽连通第二冷热媒进口和第二冷热媒出口;连通换热腔 与第二冷热媒进口的管道和/或连通换热腔与第二冷热媒出口的管道部分伸入换热腔中; 连通换热槽与第二冷热媒进口的管道和/或连通换热槽与第二冷热媒出口的管道部分伸入 换热槽中;
[0087] 过滤机构可拆卸固定于壳体内壁,过滤机构位于第二进料口和第二出料口之间, 过滤机构位于结晶板下方,壳体的靠近过滤机构处设置有开口;
[0088] 推杆组件位于结晶板上方,推杆组件包括第一驱动机构及若干与结晶槽对应的推 杆,驱动机构用于驱动推杆,以使推杆将结晶于结晶槽内的结晶物质自结晶槽壁面推落,推 杆沿竖直方向设置;
[0089] 板式降膜结晶器还包括切制机构,切制机构固定安装于壳体内壁,切制机构沿结 晶槽的对向设置,切制机构设置有若干切刀和用于驱动切刀伸缩的第二驱动机构,所有切 刀沿与结晶槽垂直的方向平行设置;
[0090] 板式降膜结晶器还包括喷头,喷头位于壳体内部且位于结晶槽上方,喷头连通有 高压进气管和/或高压进液管,喷头采用旋转喷头;
[0091] 第二出料口连通有残液罐和/或汗液储罐,残液罐和/或汗液储罐连通第二进料 口。
[0092] 在本申请的另一实施例中,壳体的底部还连通有溶剂罐,溶剂罐经管道连通出气 口,出气口与溶剂罐之间的连通管道上设置有冷凝器。
[0093] 在本申请的另一实施例中,推杆与结晶槽相匹配。
[0094] 下面顺利获得具体的例举实施例以详细说明本发明。同样应理解,以下实施例只用于 对本发明进行具体的说明,不能理解为对本发明保护范围的限制,本领域的技术人员根据本发明的上述内容作出的一些非本质的改进和调整均属于本发明的保护范围。下述示例具体的工艺参数等也仅是合适范围中的一个示例,即本领域技术人员可以顺利获得本文的说明做 合适的范围内选择,而并非要限定于下文示例的具体数值。需要说明的是,如无特别说明, 本发明所述“wt%”是指质量含量。
[0095] 本申请中,结晶率的计算方法为:结晶率=终产品中晶体质量/终产品质量;
[0096] 本申请中,收率的计算公式为:
[0097] 本申请中,纯度参照《Q/CBL 0009S‑2016D‑阿洛酮糖企业标准》中外标法进行检 测,需要注意的是,当原料为L‑阿洛酮糖溶液时,需将标准中D‑阿洛酮糖替换为L‑阿洛酮 糖。
[0098] 实施例1
[0099] 请参阅图1 ,图1为本实施例的阿洛酮糖晶体生产系统的结构示意图,该阿洛酮糖 晶体制备系统用于生产阿洛酮糖晶体产品。
[0100] 如图1所示,本实施例的阿洛酮糖晶体制备系统包括依次连通的管式降膜结晶器 2、冷却器4和板式降膜结晶器1。
[0101] 请继续参阅图1,管式降膜结晶器1是以结晶管作为结晶组件的结晶设备。管式降 膜结晶器2底部设置有第一进料口(未画出)和第一出料口(未画出),管式降膜结晶器2上部 设置有第一冷热媒进口(未画出),管式降膜结晶器2下部设置有第一冷热媒出口(未画出)。 [0102] 请继续参阅图1,第一出料口经第一物料循环管道连通第一进料口,第一物料循环 管道上设置有循环泵10。循环泵为现有技术,此处不再赘述。
[0103] 具体而言,顺利获得将第一出料口经第一物料循环管道连通第一进料口,能够将待提 纯物料中未结晶液体进行循环后送入管式降膜结晶器2中进行结晶,进一步提高阿洛酮糖 晶体产品的收率。
[0104] 请继续参阅图1,第一冷热媒进口用于向管式降膜结晶器2中通入冷热媒介(冷媒 可以采用冷却水等,热媒可以采用换热油等),第一冷热媒出口用于将经换热处理后的冷热 媒介自管式降膜结晶器2排出。第一冷热媒出口经第一冷热媒循环管道连通第一冷热媒进 口,第一冷热媒循环管道上设置有循环泵10、冷媒冷却器13和热媒换热器14。
[0105] 请继续参阅图1,冷媒冷却器13用于冷却换热(结晶阶段)后温度升高的冷媒(冷媒 可以采用冷却水等物质),以使冷媒再次被送入管式降膜结晶器2中与未结晶的待提纯物料 进行换热,使经过初次结晶的待提纯物料中未结晶物料进行再次结晶,进而提高阿洛酮糖 晶体的收率。热媒换热器14用于加热经换热(发汗和熔融阶段)后温度降低的热媒(热媒可 以采用换热油等),以使热媒经第一冷热媒循环管道被再次进入管式降膜结晶器2中与结晶 管管壁上再次得到的晶体物质进行换热,进而提高阿洛酮糖晶体的纯度。冷媒冷却器13可 以采用列管式冷却器、板式冷却器、风冷式冷却器等。热媒换热器14可以采用间壁式换热 器、混合式换热器、蓄热式换热器等。管式降膜结晶器、开关阀、离心泵、列管式冷却器、板式 冷却器、风冷式冷却器、间壁式换热器、混合式换热器、蓄热式换热器等为现有技术,此处不 再赘述。
[0106] 具体而言,顺利获得将第一冷热媒出口经第一冷热媒循环管道连通第一冷热媒进口, 并将第二冷热媒循环管道上设置循环泵、冷媒冷却器和热媒换热器,能够实现冷热媒的循环利用,提高冷热媒利用率,降低生产成本。
[0107] 请继续参阅图1,第一进料口连通有原料罐7,原料罐7与第一进料口之间的连通管 道上设置有离心泵11和开关阀12。原料罐7用于作为待提纯结晶原料即阿洛酮糖溶液的储 存场所,原料罐7内存储有浓度为70wt%‑80wt%的阿洛酮糖溶液。原料罐7与第一进料口之 间的连通管道上设置有开关阀12和离心泵11。
[0108] 请继续参阅图1,第一出料口连通有母液罐5和汗液罐6。母液罐5和汗液罐6位于管 式降膜结晶器2下方。液罐5的进液端和/或汗液罐6的进液端经管道连通第一出料口,第一 出料口与母液罐5之间的连通管道上及第一出料口与汗液罐6之间的连通管道上均设置有 开关阀12。母液罐5的出液端和/或汗液罐6的出液端与第一进料口之间的连通管道上设置 有开关阀12和离心泵11。
[0109] 请继续参阅图1,第一出料口处设置有密封阀(未画出),母液罐5和汗液罐6分别为 经管式降膜结晶器2处理后所得母液(结晶后残余溶液,母液中含少量阿洛酮糖)和汗液(升 温发汗阶段排出的液体,汗液中含较多的阿洛酮糖)的存储容器。母液罐5的出液端及汗液 罐6的出液端均连通第一进料口。母液罐5的出液端及汗液罐6的出液端与第一进料口之间 的连通管道上均设置有开关阀12和离心泵11。
[0110] 具体而言,顺利获得将母液罐5和汗液罐6连通第一出料口及第一进料口,能够将自第 一出料口排出的母液、汗液再次送入管式降膜结晶器2中进行结晶,以回收母液、汗液中的 阿洛酮糖,提高阿洛酮糖晶体产品的收率。
[0111] 请继续参阅图1,第一出料口经管道连通板式降膜结晶器1,第一出料口与板式降 膜结晶器1之间的连通管道上设置有冷却器4和中间产品罐3,第一出料口与中间产品罐3之 间的连通管道上设置有开关阀12,中间产品罐3与冷却器4之间的连通管道上设置有开关阀 12和离心泵11,冷却器4与板式降膜结晶器1之间的连通管道上设置有开关阀12和离心泵 11。
[0112] 请继续参阅图1,中间产品罐3为结晶于管式降膜结晶器2的结晶管管壁上的晶体 产品升温熔融后排出的液体即经初步提纯后得到的液态中间产品的存储容器,中间产品罐 3位于管式降膜结晶器2的下方。
[0113] 请继续参阅图1,冷却器4用于冷却经升温后排出的液态中间产品,冷却器4可以采 用列管式冷却器、板式冷却器、风冷式冷却器等。列管式冷却器、板式冷却器和风冷式冷却 器为现有技术,此处不再赘述。
[0114] 请参阅图2,板式降膜结晶器包括壳体101,壳体101的顶部开设有第二进料口102 和出气口1010,壳体101的底部开设有第二出料口108和进气口,壳体101的上部开设有第二 冷热媒出口1013,壳体101的下部设有第二冷热媒进口1012和进气口107。
[0115] 请继续参阅图2,壳体101呈长方体、正方体、圆柱体或其他形状,第二进料口102呈 扁平状,第二进料口102连通冷却器4。冷却器4与第二进料口102之间的连通管道的靠近第 二进料口102的部分内径逐渐减小,且呈扁平状。第二进料口102用于向壳体101内部送入经 初步提纯后的液态中间产品。第二出料102口处设置有密封阀(未画出)。
[0116] 具体而言,顺利获得冷却器4与第二进料口102之间的连通管道的靠近第二进料口102 的部分设置成内径逐渐减小,且呈扁平状,能够使液态中间产品以膜状而非股状形式进入 壳体101内部,避免液态中间产品以股状形式流动导致的结晶效果不佳的技术问题,进而改善了结晶效果;顺利获得将进料口102设置成呈扁平状,能够使液态中间产品以膜状而非股状形式进入壳体101内部,避免液态中间产品以股状形式流动导致的结晶效果不佳的技术问题, 进而改善结晶效果。
[0117] 请继续参阅图2,第二出料口经第二物料循环管道连通第二进料口102,第二物料 循环管道上设置有循环泵10。
[0118] 具体而言,顺利获得将第二出料口经第二物料循环管道连通第二进料口102,能够将中 间产品中未结晶液体进行循环后再次送入板式降膜结晶器中进行结晶,进一步提高阿洛酮 糖晶体产品的收率。
[0119] 请继续参阅图2,第二冷热媒出口1013经第二冷热媒循环管道连通第二冷热媒进 口1012,第二冷热媒循环管道上设置有循环泵10、冷媒冷却器13和热媒换热器14。
[0120] 具体而言,顺利获得将第二冷热媒出口1013经第二冷热媒循环管道连通第二冷热媒进 口1012,并将第二冷热媒循环管道上设置循环泵、冷媒冷却器和热媒换热器,能够实现冷热 媒的循环利用,提高冷热媒利用率,降低生产成本。
[0121] 请继续参阅图2,进气口107用于向壳体101内通入高压氮气、惰性气体等高压气 体。
[0122] 具体而言,顺利获得增设进气口107,能够向壳体内部通入高压氮气、惰性气体等高压 气体,以使自底部进入的气体向上扩散过程中与液态中间产品逆流接触,以降低液态中间 产品的流速,以使中间产品中的阿洛酮糖更好地在结晶槽1031壁面进行结晶;同时,能够使 待提纯物料中的挥发性物质逸出,并顺利获得出气口1010排向大气。
[0123] 请继续参阅图2,壳体101内部从上到下依次设置有推杆组件104、结晶板103和过 滤结构105,过滤机构105和出料口108之间设置有集液腔1014。集液腔10104的靠近出料口 108的部分的横截面呈V型。出料口108处设置有密封阀 (未画出),集液腔1014连通出料口 108,且集液腔1014位于出料口108的上方。
[0124] 具体而言,顺利获得将集液腔10104的靠近出料口108的部分的横截面设置成呈V型,能 够促使尽可能多地物料经出料口排出,避免物料在壳体101无法完全排出。
[0125] 请参阅图3,结晶板103沿沿竖直方向设置,结晶板103位于进气口107上方,结晶板 103竖直方向设置有若干结晶槽1031、若干换热腔1032和若干换热槽1033。
[0126] 具体而言,顺利获得将结晶板103沿竖直方向开设若干结晶槽1031,能够顺利获得若干结晶 槽1031同时进行结晶,提高了生产效率。顺利获得设置若干换热腔1032和若干换热槽1033,能够 同时顺利获得换热腔1032和换热槽1033内的冷媒介质与液态中间产品进行热交换,有利于液态 中间产品快速降温,进一步改善结晶效果。
[0127] 请继续参阅图2‑3,结晶槽1031经进料管连通进料口102,结晶槽1031、换热腔1032 和换热槽1033均贯穿结晶板103。进料管1021内部沿物料流动方向设置有若干平行的阻隔 元件1023,阻隔元件1023用于将进入进料管1021的物料分成若干分支,以使物料分别经不 同的进料支管1022进入不同的结晶槽1031。进料支管1022与结晶槽1031一一对应,靠近结 晶槽1031的管段的进料支管1022的横截面呈弧形。换热腔1032和换热槽1033位于结晶槽 1031相邻区域。阻隔元件1023可以采用不锈钢316等材质制成的阻隔件。
[0128] 具体而言,顺利获得将第二进料管1021内部沿物料流动方向设置若干平行的阻隔元件 1023,并将靠近结晶槽1031的管段的进料支管1022的横截面设置成呈弧形,能够将使液态中间产品分流,进而使以膜状而非股状形式进入壳体101内部,避免液态中间产品以股状形式流动导致的结晶效果不佳的技术问题,进而改善了结晶效果。
[0129] 请继续参阅图4,换热腔1032位于结晶槽1031的背面,换热槽1033位于结晶槽1031 相邻区域的侧面。换热腔1032经冷热媒进口管10121连通第二冷热媒进口1012,换热腔1032 经冷热媒出口管10131连通第二冷热媒出口1013。
[0130] 具体而言,顺利获得换热腔1032设置成位于结晶槽1031的背面,将换热槽1033设置成 位于结晶槽1031相邻区域的侧面,有利于进入换热腔的冷媒介质与沿结晶槽流动的液态中 间产品之间更好地进行热交换,以使中间产品中的阿洛酮糖更好地在结晶槽1031的壁面进 行结晶。
[0131] 请继续参阅图1,冷热媒进口管包括冷热媒进口主管(未画出)和与冷热媒进口主 管连通的若干冷热媒进口支管(未画出)。第二冷热媒出口管包括冷热媒出口主管(未画出) 和与冷热媒出口主管连通的若干冷热媒出口支管(未画出)。冷热媒进口支管和冷热媒出口 支管连通换热腔1032及换热槽1033,冷热媒进口支管和/或冷热媒出口支管部分插入换热 腔1032及换热槽1033中。换热腔1032和换热槽1033的底壁为封闭底壁,二者的底壁上均设 置有用于供冷热媒进口支管插入的通孔(未画出)。
[0132] 具体而言,顺利获得将冷热媒进口管1021和/或冷热媒出口管1031部分插入换热腔 1032换热槽1032中,能够缩短冷媒介质的行程,进而改善冷媒介质与液态中间产品之间的 换热效果,以保证结晶槽上的阿洛酮糖结晶物的结晶效果(保证结晶厚度),避免因换热效 果不佳导致的结晶厚度较薄的问题。
[0133] 请参阅图1,推杆组件104设置有若干与结晶槽0131一一对应的推杆1041,即推杆 1041的位置与结晶槽1031的位置一一对应。推杆1041沿竖直方向设置,推杆1041的形状与 结晶槽1031的形状相匹配,推杆1041的宽度略小于结晶槽1031的宽度。推杆组件104设置有 第一驱动机构1042,第一驱动机构1042的驱动轴连接有连接块,连接块连接推杆1041的第 一端,第一驱动机构1042用于驱动推杆1041,以使推杆1041将结晶物质自结晶槽1031壁面 推落。第一驱动机构1042可以采用液压机、气压机、驱动机等。液压机、气压机和驱动机为现 有技术,此处不再赘述。
[0134] 具体而言,顺利获得增设推杆组件4,能够将阿洛酮糖结晶物质自结晶槽1031壁面推 落,进而提高阿洛酮糖晶体产品的收率。顺利获得将推杆1041设置成与结晶槽1031相匹配,能够 将更多阿洛酮糖晶体产品自结晶槽31壁面推落,提高阿洛酮糖晶体产品的收率。
[0135] 请继续参阅图2,过滤机构105可拆卸固定于壳体101内壁,可拆卸固定方式可以采 用螺栓固定、悬挂等方式实现。过滤机构105位于第二进料口102和第二出料口108之间,过 滤机构105位于结晶板下方103。过滤机构105采用过滤网,壳体101的靠近过滤机构105处设 置有开口1051。开口1051用于顺利获得人工方式经由开口1051取出过滤机构105。
[0136] 请参阅图2和图4,板式降膜结晶器1还包括切制机构106,切制机构106固定安装于 壳体101的内壁,切制机构106沿结晶槽1031的对向设置,切制机构106设置有若干切刀1061 和用于驱动切刀1061伸缩的第二驱动机构1062,切刀1061沿与结晶槽1032垂直的方向平行 设置,即切刀1061沿与结晶槽1032底壁垂直的方向设置。第二驱动机构1062的驱动轴连接 有连接块,所有切刀1061均连接该连接块。第二驱动机构1062可以采用液压机、气压机、驱 动机等。切刀1061可以采用切块刀等。液压机、气压机、驱动机和切块刀为现有技术,此处不再赘述。
[0137] 顺利获得增设沿结晶槽1031对向设置的切制机106,能够对结晶物质进行切割,以使阿 洛酮糖晶体物质更易自结晶1031壁面掉落,进一步提高阿洛酮糖晶体产品的收率;顺利获得将 切制机构106设置若干切刀0161,切刀1061沿与结晶槽1031垂直的方向平行设置,能够同时 顺利获得多个切刀1061对阿洛酮糖晶体物质进行切割,以使阿洛酮糖晶体产品更易自结晶槽 131壁面掉落,进一步提高阿洛酮糖晶体产品的收率。
[0138] 请继续参阅图2,降膜结晶器还包括喷头109。喷头109固定安装于壳体11内壁,喷 头109位于结晶槽1031上方,喷头109连通有高压进气管(未画出)和/或高压进液管(未画 出)。具体的,本实施例中,喷头109采用旋转喷头。
[0139] 具体而言,顺利获得将喷头109连通高压进气管,在发汗阶段进行汗液分离时,能够利 用高压气体将汗液吹落(尤其适用于粘稠物料),提高得到的阿洛酮糖晶体产品的纯度;通 过将喷头109连通高压进液管,在需要对结晶槽1031和过滤机构105进行清洗时,能够利用 高压液体冲洗结晶槽1031和过滤机构105,使残留于结晶槽1031壁面1031的阿洛酮糖晶体 物质脱落,提高阿洛酮糖晶体产品的收率,并清洗过滤机构105。顺利获得将喷头109设置成采用 旋转喷头,能够使高压气体和/或高压液体沿不同角度同时对结晶槽1031和过滤机构105进 行吹扫,进一步提高阿洛酮糖晶体产品的收率,达到对过滤机构105更好的清洗效果。 [0140] 请继续参阅图1,第二出料口108连通有残液罐8和/或汗液储罐9,残液罐5和汗液 储罐6位于板式降膜结晶器1的下方。
[0141] 请继续参阅图1,残液罐8和汗液储罐9为经板式降膜结晶器1处理后所得残液(结 晶后残余溶液,残液中含少量阿洛酮糖)和汗液(升温发汗阶段排出的液体,汗液中含较多 的阿洛酮糖)的存储容器。残液罐5的出液端连通第一进料口,汗液储罐6的出液端连通第二 进料口102,残液罐5与第一进料口之间的连通管道上及汗液储罐6的出液端与第二进料口 102之间的连通管道上均设置有开关阀12和离心泵11。顺利获得将残液罐8和汗液储罐9的出液 端连通第二进料口102,能够将第二出料口108排出的残液、汗液分别送入管式降膜结晶器2 和板式降膜结晶器1中进行结晶,以回收残液、汗液中的阿洛酮糖,提高阿洛酮糖晶体产品 的收率。
[0142] 实施例2
[0143] 采用实施例1的阿洛酮糖结晶生产系统制备D‑阿洛酮糖结晶,具体步骤如下: [0144] 将温度为80℃、浓度为80wt%的D‑阿洛酮糖溶液送入原料罐7中,随后用离心泵11 将阿洛酮糖溶液泵入管式降膜结晶器2底部备用;
[0145] 启动第一物料循环管道上的循环泵10、第一冷热媒循环管道上的循环泵10及冷媒 冷却器13,向管式降膜结晶器2内送入冷媒冷却水,循环泵10将D‑阿洛酮糖溶液送至第一进 料口处,以3℃/min的速率将阿洛酮糖溶液降温至40℃,接着以0 .5℃/min降温速率将阿洛 酮糖溶液缓慢降温至30℃,随后顺利获得冷热媒于30℃温度下进行保温处理以循环降膜结晶 100min;然后打开母液罐5与第一出料口之间的管道上的开关阀12,将母液排放至母液罐5, 并称重取样;
[0146] 富集回收多次降膜结晶累积的母液,打开母液罐5与第一进料口之间的连通管道 上的开关阀12和离心泵11,富集回收得到的母液被离心泵11泵送至管式降膜结晶器2底部 进行结晶;
[0147] 顺利获得热媒以3℃/min的升温速率将管式降膜结晶器2的结晶管壁面上的晶体温度提升至80℃后,随后以0 .5℃/min的升温速率将管式降膜结晶器2的内环境温度提升至105 ℃,随后于105℃温度下保温40min;在此过程中,结晶于结晶槽1031壁面的晶体物质的温度 得到了提高,晶体物质受热后部分熔化进行发汗,熔化汗液中的阿洛酮糖与杂质重新分配 和富集,汗液中含较多的杂质,汗液在传热、传质有助于下逐步向晶层外排出,使晶层中的阿 洛酮糖含量得以提高;
[0148] 在此过程中,顺利获得高压进气管向喷头109内送入高压氮气,高压氮气沿不同的角度 对结晶槽101壁面上晶体表面的汗液进行吹扫,进而将粘稠汗液吹落;
[0149] 接着打开汗液罐6与第一出料口之间的管道上的开关阀12及第一出料口处的密封 阀,将发汗液排放至汗液罐6,并称重取样;
[0150] 打开汗液罐6与第一进料口之间的连通管道上的开关阀12和离心泵11,汗液被离 心泵11泵送至管式降膜结晶器2作为下一批结晶的原料,关闭第一出料口处的密封阀; [0151] 以0 .5℃/min的升温速率升温至115℃,于115℃温度下保温处理以熔融30min ,熔 融完成后打开中间产品罐3与第一出料口之间的连通管道上的开关阀12及离心泵11,将液 体(即中间产品)送至中间产品罐3进行暂存;
[0152] 打开中间产品罐3与冷却器4之间的管道上的离心泵11和开关阀12,启动冷却器4。 中间产品被离心泵11泵送至冷却器4,并被冷却器4预冷至60℃。
[0153] 随后打开冷却器4与第二进料口102之间的管道上的离心泵11和开关阀12,冷却后 的中间产品被离心泵11泵送至板式换热器1,并经进料管1021以膜状形式进入结晶槽1031; [0154] 开启第二冷热媒循环管道上的循环泵10及冷媒冷却器13进行预冷,使壳体1的内 环境温度保持在30℃;
[0155] 待物料全部进入板式降膜结晶器1后,开启第二物料循环管道上的循环泵10,保持 壳体101内部温度为30℃继续进行结晶;在此过程中,顺利获得进气口107将高压氮气送入壳体 101内部,自进气口107进入的高压氮气向上扩散,在扩散过程中与中间产品逆流接触,降低 了中间产品的流速,使得阿洛酮糖结晶物质更好地在结晶槽1031壁面进行结晶;同时,使中 间产品中的挥发性物质逸出,并顺利获得出气口1010排向大气;
[0156] 结晶完成后打开残液罐8与第二出料口108之间的管道上的开关阀12,将母液排放 至残液罐8,称重并取样;
[0157] 富集回收多次降膜结晶累积的残液;打开残液罐8与第一进料口之间的连通管道 上的开关阀12和离心泵11,残液被离心泵11泵送至管式降膜结晶器2再次进行结晶;
[0158] 开启板式降膜结晶器1的第二冷热媒循环管道上的循环泵10及第二热媒换热器16 进行升温,顺利获得热媒以3℃/min的速率将晶体温度升至80℃后,以0 .5℃/min的速率将壳体 101的内环境温度提升至105℃,随后于105℃温度下保温40min;在此过程中,结晶于结晶槽 1031壁面的结晶物质的温度得到了提高,结晶物质受热后部分熔化进行发汗,熔化汗液中 的阿洛酮糖与杂质重新分配和富集,汗液中含较多的杂质,汗液在传热、传质有助于下逐步向 晶层外排出,使晶层中的阿洛酮糖含量得以提高;
[0159] 在此过程中,顺利获得高压进气管向喷头109内送入高压氮气,高压氮气沿不同的角度 对结晶槽1031壁面上晶体表面的汗液进行吹扫,进而将粘稠汗液吹落;
[0160] 然后打开汗液储罐9与第二出料口108之间的管道上的开关阀12及第二出料口108处的密封阀,将发汗液排放至汗液储罐9,并称重取样;
[0161] 打开汗液储罐9与第二进料口102之间的连通管道上的开关阀12和离心泵11,汗液 被离心泵11泵送至板式降膜结晶器1再次进行结晶,关闭第二出料口108处的密封阀;
[0162] 启动切制机构16,顺利获得第二驱动机构1062驱动切刀1061将管式降膜结晶器2的结 晶槽1031壁面上的阿洛酮糖结晶物质切割成块状后,再启动第一驱动机构1042驱动推杆 1041向结晶槽1031的方向移动,从而将结晶块自结晶槽1031壁面推落,使结晶块掉落至过 滤机构105处;
[0163] 过滤机构15将夹杂有液态物质的结晶物过滤后,结晶块等固体物质被截留于过滤 机构15上,液态物质等杂质则因重力作用落入集液腔1014中;
[0164] 打开出口1051,取出过滤机构105,将过滤机构105上的结晶物质自过滤机构105上 取下,得到阿洛酮糖晶体产品,并对产品进行称重取样。
[0165] 顺利获得高压进液管向喷头109内送入高压水,利用高压水冲洗结晶槽1031和过滤机 构105;
[0166] 打开第二出料口108处的密封阀,将集液腔1014中的液态物质等杂质自第二出料 口108排向外界。
[0167] 经检测,采用本实施例的方法生产D‑阿洛酮糖晶体,结晶率为100% ,收率为 85.2%,制得的D‑阿洛酮糖晶体的纯度为99.8%。
[0168] 实施例3
[0169] 本实施例与实施例2的不同之处在于:
[0170] 原料采用L‑阿洛酮糖溶液,L‑阿洛酮糖溶液的温度为120℃、浓度为70wt%;
[0171] 以5℃/min的速率将阿洛酮糖溶液降温至45℃,接着以1℃/min的降温速率将阿洛酮糖溶液缓慢降温至35℃,随后顺利获得冷热媒于35℃温度下进行保温处理以循环降膜结晶 90min;
[0172] 顺利获得热媒以3℃/min的升温速率升温将管式降膜结晶器2的结晶管壁面上的晶体 温度升至90℃后,随后以1℃/min的升温速率将管式降膜结晶器2的内环境的温度提升至 110℃,随后于110℃温度下保温50min;
[0173] 以1℃/min的速率升温至125℃,于125℃温度下保温处理以熔融30‑40min;
[0174] 启动冷却器4,中间产品被离心泵11泵送至冷却器4,并被冷却器4预冷至80℃。 [0175] 开启第二冷热媒循环管道上的循环泵10及冷媒冷却器13进行预冷,使壳体1的内 环境温度保持在40℃;
[0176] 保持壳体101内部温度为30℃继续进行结晶;
[0177] 顺利获得热媒以5℃/min的速率将晶体温度升至90℃后,以1℃/min的速率将壳体101 的内环境温度提升至110℃,随后于110℃温度下保温50min。
[0178] 经检测,采用本实施例的方法生产L‑阿洛酮糖晶体,结晶率为100% ,收率为 84.5%,制得的L‑阿洛酮糖晶体的纯度为99.5%。
[0179] 实施例4
[0180] 本实施例与实施例2的不同之处在于:
[0181] 原料D‑阿洛酮糖溶液的温度为100℃、浓度为75wt%;
[0182] 以4℃/min的速率将阿洛酮糖溶液降温至42℃,接着以0.8℃/min的降温速率将阿洛酮糖溶液缓慢降温至32℃,随后顺利获得冷热媒于32℃温度下进行保温处理以实现循环降膜结晶95min;
[0183] 顺利获得热媒以4℃/min升温速率升温将管式降膜结晶器2的结晶管壁面上的晶体温 度升至85℃后,随后以0.8℃/min的速率将管式降膜结晶器2的内环境温度提升至108℃,随 后于108℃温度下保温45min;
[0184] 以0.8℃/min的速率升温至120℃,于120℃温度下保温处理以熔融30‑40min;
[0185] 启动冷却器4,中间产品被离心泵11泵送至冷却器4,并被冷却器4预冷至70℃。
[0186] 开启板式降膜结晶器1的第二冷热媒循环管道上的循环泵10及冷媒冷却器13进行 预冷,使壳体1的内环境温度保持在35℃;
[0187] 保持壳体101内部温度为35℃继续进行结晶;
[0188] 顺利获得热媒以4℃/min的速率将晶体温度升至90℃后,以0 .8℃/min的速率将壳体 101的内环境温度提升至108℃,随后于108℃温度下保温45min。
[0189] 经检测,采用本实施例生产D‑阿洛酮糖晶体,结晶率为100%,收率为84.9%,制得 的D‑阿洛酮糖晶体的纯度为99.6%。
[0190] 实施例5
[0191] 如图5所示推杆组件,本实施例与实施例1的区别在于:推杆组件104包括驱动机构 1042和推杆1041,推杆1041的第一端连接有连接块,连接块连接驱动机构1042的驱动轴,推 杆1041的第二端连接推块1043,推块1043与结晶槽1031相匹配。驱动机构1042用于驱动推 杆1041及推块1043向结晶槽1031的方向移动,进而使推142将结晶于结晶槽1031内的结晶 物质自结晶槽31壁面推落。
[0192] 实施例6
[0193] 如图6所示结晶板与壳体的装配图,本实施例与实施例1的区别在于:结晶板103固 定安装于壳体101的内壁,结晶板103与壳体101之间的空间形成换热腔1032和换热槽1033。 [0194] 实施例7
[0195] 如图7所示阿洛酮糖晶体生产系统,本实施例的阿洛酮糖晶体制备系统还包括溶 剂罐15和冷凝器16。
[0196] 请继续参阅图7,溶剂罐15为乙醇等溶剂的存储容器,溶剂罐15内存储有乙醇等溶 剂。溶剂罐15的出液端经管道连通壳体101的底部,出气口1010经管道连通溶剂罐15的进液 端。顺利获得增设溶剂罐15,并将溶剂罐15的出液端经管道连通壳体101的底部,能够向壳体101 中送入乙醇等溶剂,使乙醇等溶剂溶解中间产品中未结晶液体,提高中间产品中未结晶液 体的流速,避免因中间产品中未结晶液体粘度过大导致的无法有效循环结晶的问题,进一 步提高阿洛酮糖晶体产品的收率。
[0197] 请继续参阅图7,冷凝器16用于将自板式降膜结晶器1排出的升温后转变为气态的 乙醇等溶剂进行降温处理,使乙醇等溶剂冷却后转变为液态,进而顺利获得离心泵11泵送至溶 剂罐15中,以实现乙醇等溶剂的回收再利用。冷凝器16可以采用水冷冷凝器、空气冷却式冷 凝器、水‑空气冷却式冷凝器等。水冷冷凝器、空气冷却式冷凝器和水‑空气冷却式冷凝器为 现有技术,此处不再赘述。顺利获得增设冷凝器16,能够对乙醇等溶剂进行回收再利用,提高乙 醇等溶剂的回收利用率,进而降低生产成本,提高收益;
[0198] 本实施例与实施例1的区别还在于:用离心泵11将溶剂罐15中储存的无水乙醇泵送至结晶槽1031,无水乙醇溶解阿洛酮糖,促使残留于结晶槽1031壁面的难以掉落的阿洛酮糖物料以一定速度进行流动进而结晶,进一步提高阿洛酮糖晶体产品的收率;发汗阶段 由于壳体101内部环境温度升高,无水乙醇挥发为气体,自出气口1010排出,并进入冷凝器 16中,经冷凝器16处理后,转变为液态无水乙醇,后经管道流入溶剂罐15中。
[0199] 应理解的是,不限于此,本申请中,结晶板可仅设置换热腔或换热槽,而不必同时 设置换热腔和换热槽。第一进料口亦可设置于管式降膜结晶器的上部。
[0200] 需要说明的是,不申请中,亦可在壳体的上部开设与换热腔相连通的第二冷热媒 进口,在壳体的下部开设与换热腔相连通的第二冷热媒出口。
[0201] 上述实施例仅例示性说明本发明的原理及其功效,而非用于限制本发明。任何熟 悉此技术的人士皆可在不违背本发明的精神及范畴下,对上述实施例进行修饰或改变。因 此,举凡所属技术领域中具有通常知识者在未脱离本发明所揭示的精神与技术思想下所完 成的一切等效修饰或改变,仍应由本发明的权利要求所涵盖。
图1
图2
图3
图4
图5
图6
图7